Montaje y puesta en servicio de la posición Babahoyo en la subestación Caluma 69 kV

CNEL UN Bolívar

Con el objetivo de incrementar la confiabilidad y operatividad del sistema eléctrico CNEL UN BOLÍVAR, se realizó el montaje y puesta en servicio de las posiciones Babahoyo y Cochabamba a 69 kV en la subestación Caluma, tanto de los equipos de corte – seccionamiento como de medición, control y protección, con su correspondiente integración al SCADA

Suministro e integración de concentrador de datos en cámara de transformación Escuela Sucre

Empresa Eléctrica Quito S.A.

Mediante la instalación de IEDs y concentrador de datos, se realizó la automatización de las celdas de distribución secundaria de la cámara de transformación Escuela Sucre a 23 kV, ubicada en el centro histórico del Distrito Metropolitano de Quito.

Estudios y diseños para la modernización de las Subestaciones Nº 01, 02, 15

Empresa Eléctrica regional Centro Sur C.A.

Debido a que está por cumplirse la vida útil de la mayoría de componentes que conforman las Subestaciones 01, 02, 15, y con el objetivo de mantener los parámetros de calidad, confiabilidad y continuidad del servicio, particularmente de la Ciudad de Cuenca (Centro Histórico de la Ciudad); la EMPRESA ELÉCTRICA REGIONAL CENTRO SUR C.A. dentro de su plan de obras e inversiones ha programado realizar la sustitución de la mayor parte de sus equipos y sistemas para la modernización y repotenciación de esta instalación. Para cumplir con este objetivo es necesario reconstruir y readecuar las edificaciones y estructuras que allí se encuentran, obras que deberán ejecutarse considerando que se trata de instalaciones en operación cuya disponibilidad es crítica para las áreas indicadas.

Mantenimiento activo eléctricos

Central de Generación GASGREEN S.A.

Análisis termográfico de generadores, conexión de transformadores de potencia, disyuntores de 480 Volts, tableros de generación, puntos de conexión de conductores aislados y circuitos de corriente en celdas de medio voltaje. Medición de rigidez dieléctrica del aceite mineral de los transformadores elevadores (1 MVA, 480/22800 Volts) Corrección y reposición de bobinas de apertura, cierre y sincronismo de disyuntores de 480 Volts, para la adecuada sincronización de los generadores con la red de la Empresa Eléctrica Quito (23 kV). Revisión y reajuste de protecciones mecánicas de los transformadores elevadores Pruebas de aislamiento de conductores aislados (23 kV) Revisión de circuitos de corriente, control, esquema de protecciones y medición, estado del aislamiento de las celdas de medio voltaje (23 kV).

MANTENIMIENTO LÍNEA DE TRANSMISIÓN 230 kV

BOMBOIZA-FDN (LUNDINGOLD)

Desbroce de vegetación de la franja de servidumbre de la línea de transmisión (LT) Bomboiza – FDN, 230 kV (42 km). Análisis técnico de sedimentaciones y bases de torres de la LT. Mantenimiento predictivo (análisis termográfico) de la LT Bomboiza – FDN.

AUTOMATIZACIÓN DEL PROYECTO MEJORAMIENTO INTEGRAL

S/E PUYO 1 Y CAMBIO DE TRANSFORMADOR DE POTENCIA S/E TENA.

Configuración equipos de comunicación (switch, RED BOX), RTU 500 SERIES (ABB), para integración nivel 2 y 3. Incluye:
  • Configuración de switches red de IEDs con PRP
  • Configuración switch red de medidores
  • Configuración RED BOX
  • Configuración RTU 560 – ABB (integración IEDs y medidores a través de protocolo IEC 61850), integración de señales por adquisición directa.
  • Configuración y pruebas RTU 560 – ABB, nivel 2 y 3 de conformidad con EEASA.
  • Desarrollo de ingeniería de detalle de control y protección (nivel 0 y 1) subestación Puyo (archivos digitales y físicos).
  • Planos aprobados por EEASA (AS-BUILT) en versión CAD y PDF.
  • Pruebas punto – punto (nivel 0,1,3)
ESTUDIOS Y DISEÑOS DEFINITIVOS PARA LA CONSTRUCCIÓN

NUEVA SUBESTACIÓN N° 03 MONAY.

Elaboración de los estudios para la construcción de la nueva Subestación N° 03 MONAY tipo GIS (69/22 kV, 2x32 MVA) de la Empresa Eléctrica Regional Centro Sur C.A. Incluye diseño de: soterramiento de líneas de subtransmisión, diseño civil-estructural y electromecánico de la subestación, esquema de bus de procesos (SE digital) y salidas subterráneas de medio voltaje.

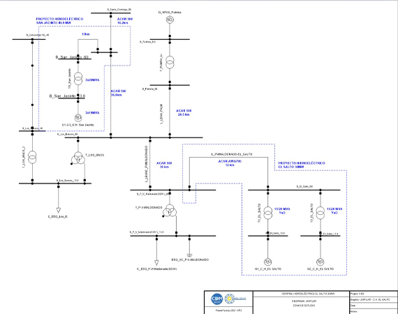
CONSULTORÍA PARA LA ELABORACIÓN DE ESTUDIOS DE INGENIERÍA ELÉCTRICA

EMPRESA PÚBLICA HIDROEQUINOCCIO EP.

APROBACIÓN DEL PUNTO DE CONEXIÓN DE LA CENTRAL HIDROELÉCTRICA EL SALTO – SUBESTACIÓN PEDRO VICENTE MALDONADO – EEQ, EVALUACIÓN ECONÓMICA DE EQUIPAMIENTO EN 69 kV Y 23 kV, INFORMES TÉCNICOS, PLANOS Y APROBACIÓN POR PARTE DE LA EMPRESA ELÉCTRICA QUITO

SUC MNTTO SERVICIO DE MANTENIMIENTO INTEGRAL DE SUBESTACIONES ELÉCTRICAS

CNEL SUCUMBÍOS GD

Mantenimiento integral de los activos eléctricos de las subestaciones del SEP CNEL Sucumbíos, tanto en 69 kV como 13.8 kV. Ensayos eléctricos de interruptores de potencia, seccionadores, transformadores de instrumentación, celdas de medio voltaje e IEDs de control y protección.

ESTUDIO PARA LA REUBICACIÓN DE EQUIPOS PARA MEDICIÓN COMERCIAL CENTRAL OCAÑA

EMPRESA ELECTRO GENERADORA DEL AUSTRO ELECAUSTRO

Determinar la ubicación óptima de transformadores de corriente, descargadores de sobretensión y equipos de patio en 69 kV. Incluye: especificaciones, ingeniería de detalle y planos constructivos de las modificaciones civiles, mecánicas y eléctricas en la Subestación Ocaña.

ANÁLISIS DE CONDICIÓN DE LA LÍNEA DE SUBTRANSMISIÓN ELÉCTRICA AÉREA 34.5 kV

ENAP ECUADOR

Inspección y análisis de las condiciones actuales de la infraestructura que forma parte de la línea de subtransmisión a nivel de 34.5 kV de la empresa ENAP Ecuador en la provincia de Orellana, esto con el fin de identificar los factores que afecten el servicio normal de la línea de subtransmisión y permitan activar los planes de mejoras en corto y mediano plazo que aumenten el nivel de confiabilidad y la continuidad del suministro de energía eléctrica en los campos Paraíso, intracampos y MDC.

PRUEBAS REGULADOR DE VELOCIDAD (ESTATISMO)

CENTRALES HIDROELÉCTRICAS LORETO Y PAPALLACTA-HCJB

Pruebas del regulador de velocidad de la Central Hidroeléctrica Loreto y Papallacta, para establecer el comportamiento del sistema “Generador-Regulador de Velocidad” respecto a variaciones controladas de frecuencia y determinar el estatismo (Droop) de las unidades de generación.

MANTENIMIENTO EQUIPOS DE MEDIO VOLTAJE

TESALIA CBC

Mantenimiento en las instalaciones de TESALIA CBC, consiste en realizar ensayos eléctricos a cables, celdas de MV, además de tareas de limpieza y lubricación de mecanismos electromecánicos.

DISEÑO, FABRICACIÓN E INTEGRACIÓN

MEJORA DE LA POSICIÓN DEL TRANSFORMADOR DEL TR1 DE LA S/E MACAS 21

Fabricacion de tablero de control y proteccion para la posicion de transformador (69/22kV, 10/12.5 MVA) de la Subestación Macas N°21 de la Empresa Eléctrica Regional Centro Sur C.A.

¡Somos expertos!

¿Necesita ayuda en trabajos de Ingeniería Eléctrica?